近日,山东农业大学农学院耕作与生态研究宁堂原教授、李耕副教授团队的学术论文“Maize (Zea maysL.) planted at higher density utilizes dynamic light more efficiently”在线发表在Plant Cell and Environment上。耕作与生态研究团队郑宾博士(现河南科技大学讲师)、农学院李玉婷实验员(博士)为本文共同第一作者,农学院李耕副教授、宁堂原教授及生科院张子山副教授为本文共同通讯作者。

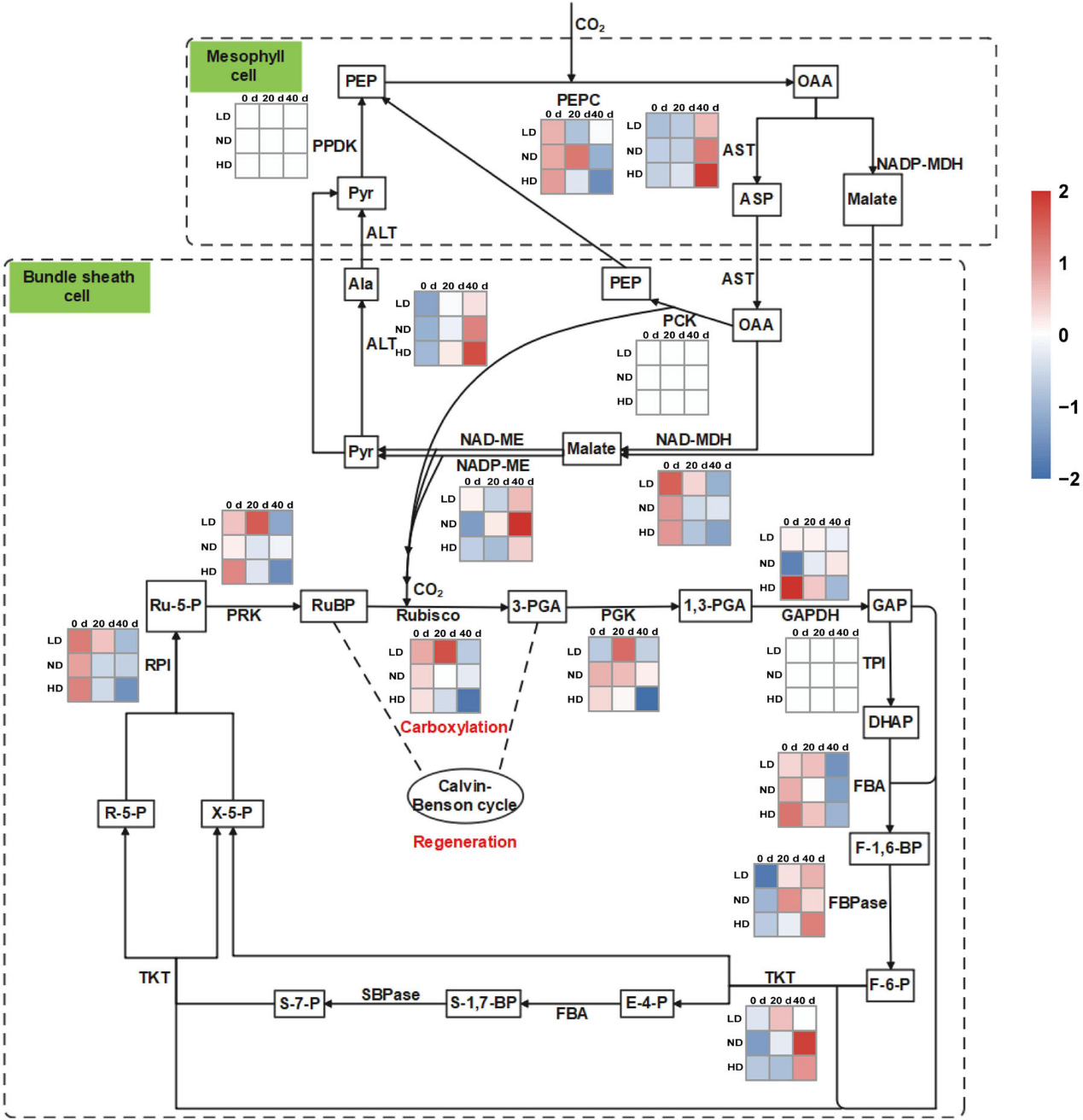
图1 不同种植密度下C4和C3光合路径中酶的蛋白质丰度热图

图2 种植密度与玉米叶片波动频率示意图
该研究内容针对当前黄淮海夏玉米密植导致的单株光合能力降低的主要影响因素—光波动展开了生理及蛋白质组学的研究。解析了密植夏玉米抗光波动及其相对较高光合积累效率的生理表现及可能的分子途径。研究认为随着种植密度的增加,玉米叶片接受的光更少,波动更大,潜在的提高了密植夏玉米叶片对波动光的适应性和利用效率,尤其是在灌浆中后期尤为明显,表明密植夏玉米在不同光环境中具有一定的生理可塑性。本文还部分解释了密植条件下玉米叶片光合C3通路中存在“关键酶冗余”的可能性。该结果为进一步优化黄淮海区域夏玉米栽培技术及耐密高光合玉米种质的创新提供理论依据。
本研究得到国家自然科学基金、十三五国家重点研发计划项目、山东省双一流项目的资助。
原文链接:https://onlinelibrary.wiley.com/doi/10.1111/pce.14673
编 辑:万 千
审 核:贾 波








